产品分类
PRODUCT CATEGORY信息动态
MORE
产品详情



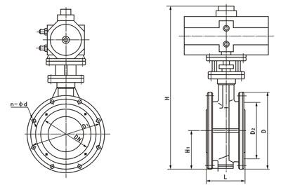
气动硬密封蝶阀是用随阀柑转动的圆形蝶板做启闭性,以实现启用动作的气动阀门主要做截断阀使用,亦可设计成具有调节或段阀兼调节的功能,目前碟阀在低压大中口径管道上的使用越来越多。
气动硬密封蝶阀的主要优点,结构简单,体积小重量轻,造价低,气动碟阀该特点尤其显著,安装在高空暗道,经过二位五通电磁阀控制操作方便,也可调节流量介质。流体阻力较小,中大口径的气动碟阀全开时流通面积较大,启闭省力,碟扳旋转90角度即可完成启闭,由于转轴两侧碟板手介质作用力接近相等,而产生的转矩方向相反,因而启闭力矩较小,低压下可实现良好的密封,碟阀密封材料有丁晴橡胶、氟橡胶,食用橡胶,衬四氟故密封性能良好,其中硬密封碟阀为软硬层叠式金属片具有金属硬密封和弹性密封的重优点,无论在低温情况下均具有优良的密封性能。


